Zu5
JAKA Zu5
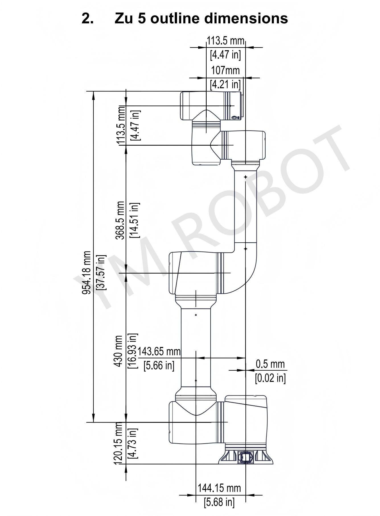
Payload: 5 kg, Weight: 23 kg, Reach: 954 mm
Human-robot-environment collaborative integration Payload 5 kg, Self-weight 23 kg, Reach 954 mm Integrated joint design, easy to assemble and disassemble Rapid deployment, reducing working hours and optimizing overall production efficiency Adhering to the concept of ""human-robot-environment collaborative integration"", high safety design eliminates the need for isolation fences






Write your message here and send it to us







