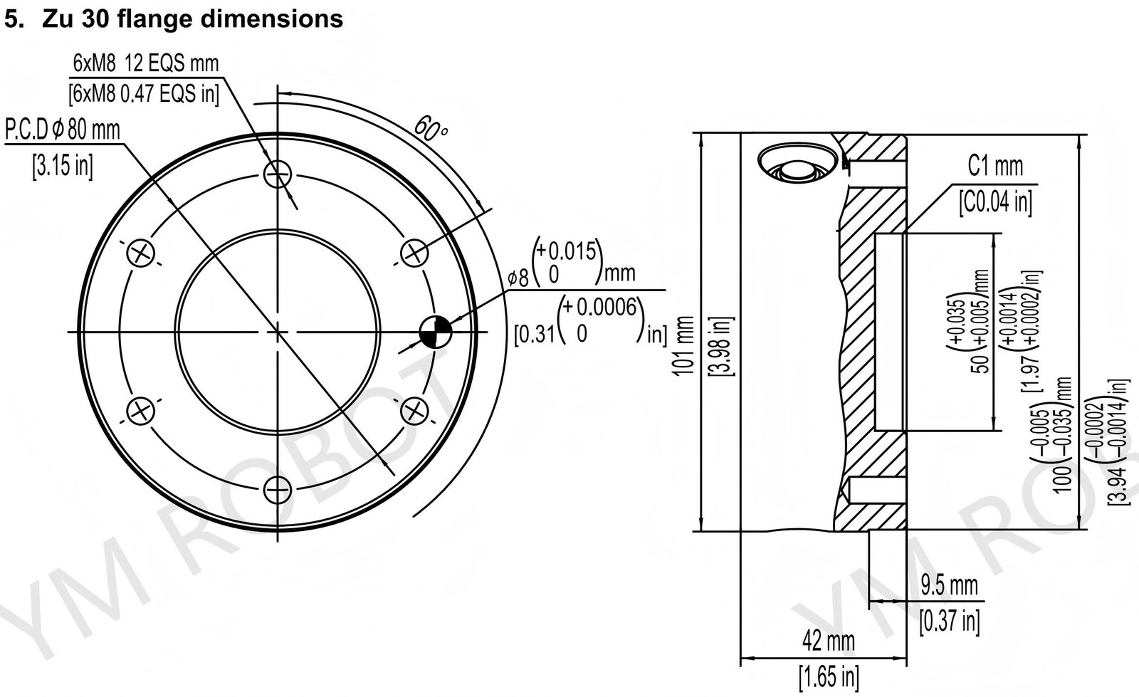
Zu30
JAKA Zu30
Payload: 30 kg, Weight: 65 kg, Reach: 1350 mm
The JAKA Zu30 is a groundbreaking innovation designed for heavy-duty material handling and collaborative scenarios in confined spaces. Building on the JAKA Zu series' legacy of ease of use, safety, and exceptional performance, it delivers a robust 30 kg payload capacity, 1350 mm reach, and ±0.05 mm repeatability, all within an IP65-rated enclosure that pushes the boundaries of collaborative robotics. Whether for heavy-duty material handling, precise wafer cassette loading/unloading, machining of heavy components, efficient palletizing operations, or precision welding, the JAKA Zu30 delivers tailor-made solutions to pioneer a new era of collaborative automation!






Write your message here and send it to us







