BA013N
Through-Arm Cable Arc Welding Robot
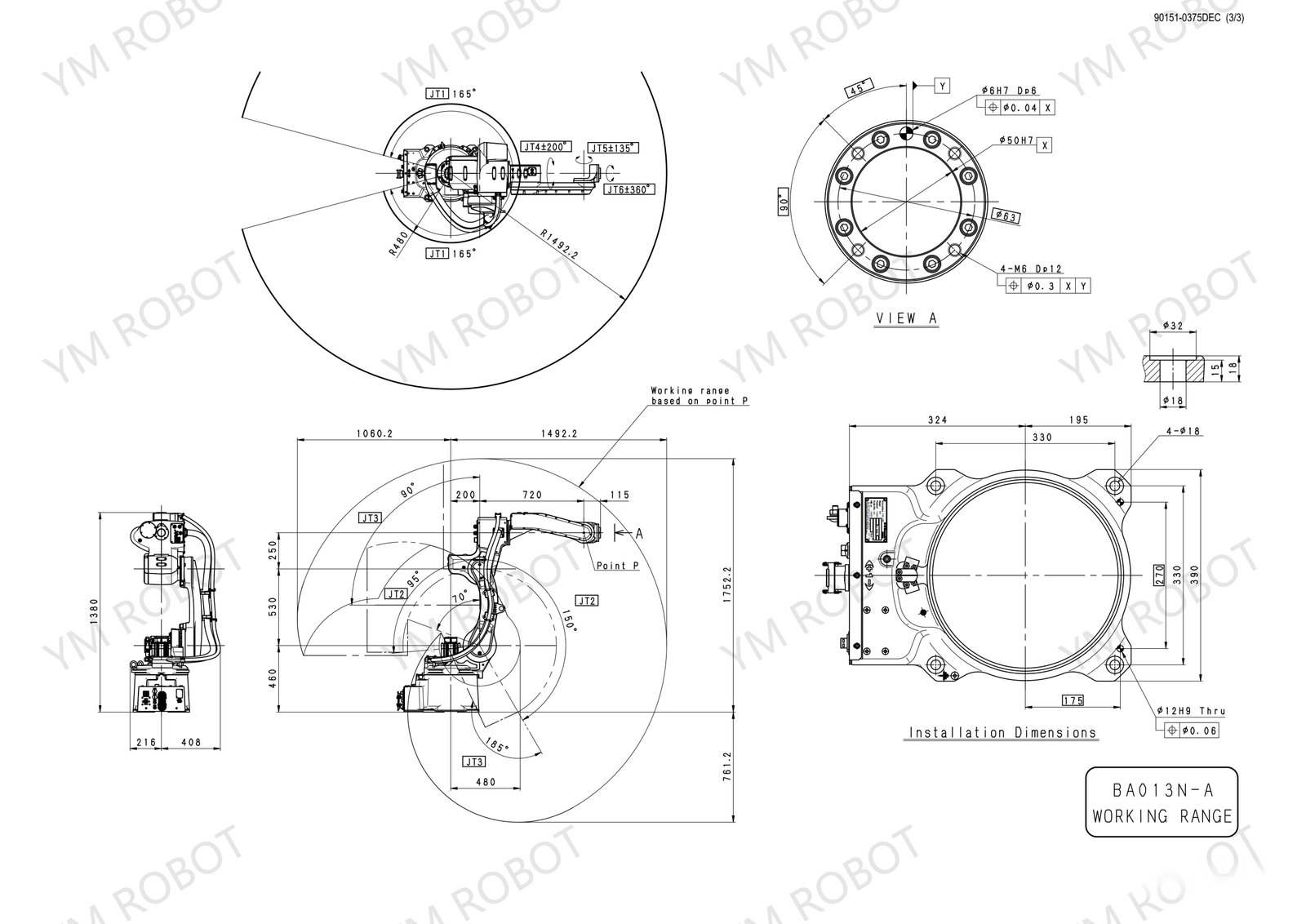
The BA013N arc welding robot has a minimum working radius of 490 mm and a maximum working radius of 1,492 mm.
Its hollow wrist structure facilitates the management of cables and hoses around the welding torch, ensuring stable wire feeding and reliable offline teaching. This high-performance robot effectively addresses labor shortages while improving product quality.


Write your message here and send it to us










