BA013L
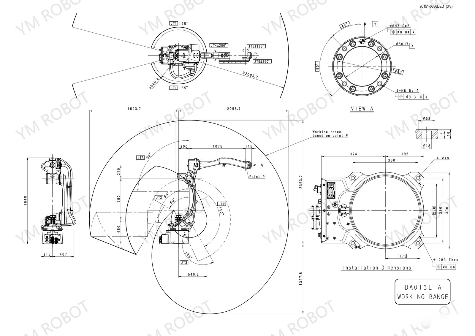
The hollow arm design allows hoses and cables to be installed inside the arm.
This prevents interference with peripheral equipment and reduces offline teaching time.


Write your message here and send it to us
The hollow arm design allows hoses and cables to be installed inside the arm.
This prevents interference with peripheral equipment and reduces offline teaching time.

